中文

产品中心
Products
产品中心
提供个性化机电产品及散热系统应用解决方案

ZD20系列(130)

产品详情

PQ曲线特征

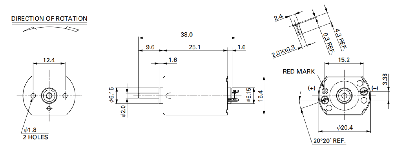
产品尺寸

规格参数

MODEL VOLTAGE NO LOAD AT MAXIMUM EFFICLENCY STALL
OPERATING
RANGE
NOMINAL SPEED CURRENT SPEED CURRENT TORQUE OUTPUT TORQUE CURRENT
r/min A r/min A mN·m g·cm W mN·m g·cm A
ZD20-002001 6~24V 12V CONSTANT 7200 0.03 5680 0.11 1.12 11.40 0.66 5.3 54.00 0.42
ZD20-002002 6~18V 12V CONSTANT 9000 0.034 6990 0.12 0.88 8.90 0.64 3.92 40.00 0.41

扫码咨询

18933268640

明泰(惠州)科技有限公司
电话:0752-5588773
业务热线:18933268640
邮箱:jessica.li@maintek.hk
地址:惠州大亚湾西区谭公南路3号富奇达科技园2号楼
Copyright @ 明泰(惠州)科技有限公司
备案号:粤ICP备2026002398号