中文

产品中心
Products
产品中心
提供个性化机电产品及散热系统应用解决方案

ZD38-001 系列(685)

输出功率:5.0W~100W(约) 典型应用 汽车产品:车门闭合器/安全带预紧器/电动座椅

产品详情

PQ曲线特征

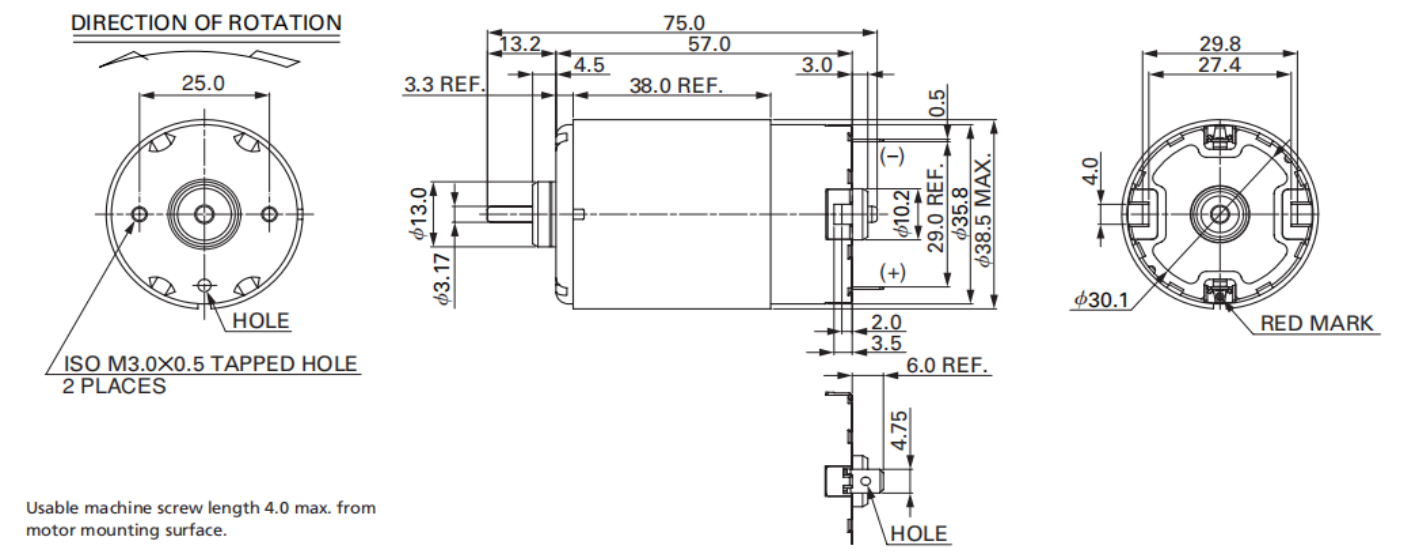
产品尺寸

输出功率:5.0W~100W(约)

典型应用

汽车产品:车门闭合器/安全带预紧器/电动座椅

规格参数

MODEL VOLTAGE NO LOAD AT MAXIMUM EFFICLENCY STALL
OPERATING
RANGE
NOMINAL SPEED CURRENT SPEED CURRENT TORQUE OUTPUT TORQUE CURRENT
r/min A r/min A mN·m g·cm W mN·m g·cm A
ZD38-001003 9~24V 18V CONSTANT 3400 0.09 2860 0.53 22.60 230.52 6.5 142 1448.40 3.06

扫码咨询

18933268640

明泰(惠州)科技有限公司
电话:0752-5588773
业务热线:18933268640
邮箱:jessica.li@maintek.hk
地址:惠州大亚湾西区谭公南路3号富奇达科技园2号楼
Copyright @ 明泰(惠州)科技有限公司
备案号:粤ICP备2026002398号