中文

产品中心
Products
产品中心
提供个性化机电产品及散热系统应用解决方案

ZD30-001 系列(385)

输出功率:0.9W~40W(约) 典型应用 汽车产品:自动巡航控制/进气歧管控制阀 办公自动化设备:打印机/复印机/激光打印机 家用电器

产品详情

PQ曲线特征

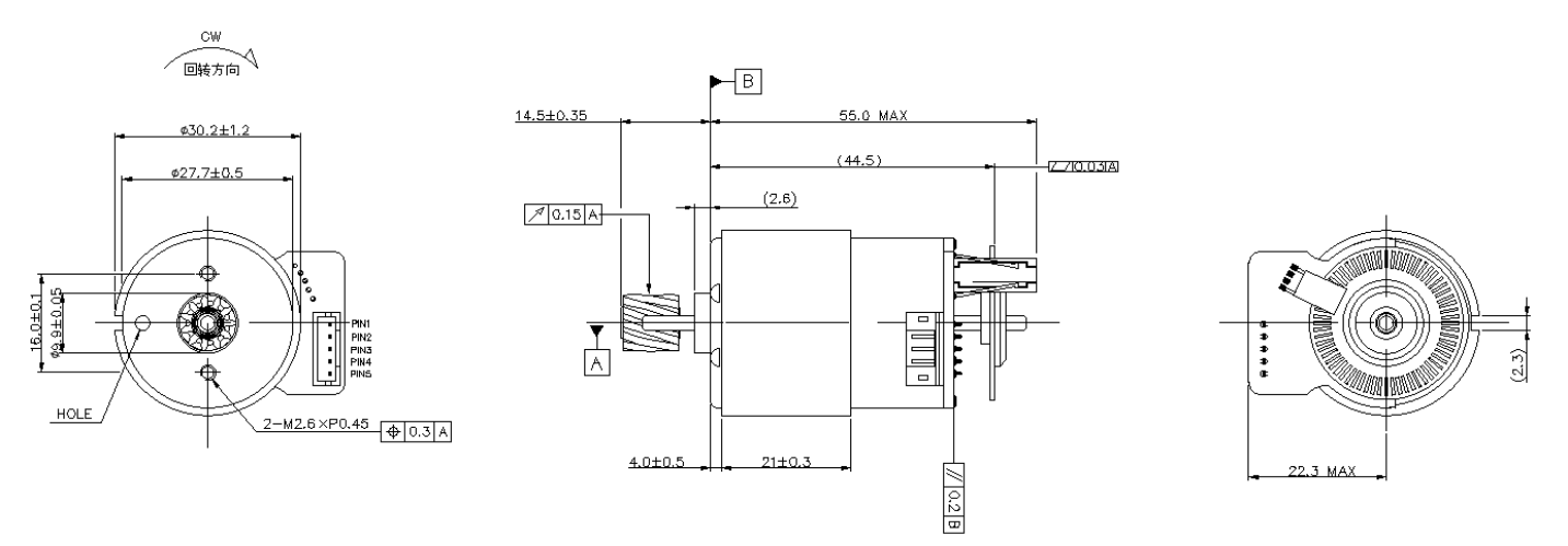
产品尺寸

输出功率:0.9W~40W(约)

典型应用
汽车产品:自动巡航控制/进气歧管控制阀
办公自动化设备:打印机/复印机/激光打印机
家用电器

规格参数

MODEL VOLTAGE NO LOAD AT MAXIMUM EFFICLENCY STALL
OPERATING
RANGE
NOMINAL SPEED CURRENT SPEED CURRENT TORQUE OUTPUT TORQUE CURRENT
r/min A r/min A mN·m g·cm W mN·m g·cm A
ZD30-001001 12~30V 21V CONSTANT 6764 0.058 5691 0.308 7.16 73.00 4.26 45.14 460.47 1.63

扫码咨询

18933268640

明泰(惠州)科技有限公司
电话:0752-5588773
业务热线:18933268640
邮箱:jessica.li@maintek.hk
地址:惠州大亚湾西区谭公南路3号富奇达科技园2号楼
Copyright @ 明泰(惠州)科技有限公司
备案号:粤ICP备2026002398号