中文

产品中心
Products
产品中心
提供个性化机电产品及散热系统应用解决方案

ZD24-001 系列(370)

输出功率:0.9W~15W(约) 典型应用领域 办公自动化设备:打印机/复印机/激光打印机 精密仪器:自动售货机

产品详情

PQ曲线特征

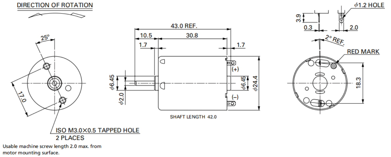
产品尺寸

输出功率:0.9W~15W(约)

典型应用领域

办公自动化设备:打印机/复印机/激光打印机
精密仪器:自动售货机

规格参数

MODEL VOLTAGE NO LOAD AT MAXIMUM EFFICLENCY STALL
OPERATING
RANGE
NOMINAL SPEED CURRENT SPEED CURRENT TORQUE OUTPUT TORQUE CURRENT
r/min A r/min A mN·m g·cm W mN·m g·cm A
ZD24-001001 12~30V 24V CONSTANT 5100 0.015 26.3 0.082 2.58 26.30 1.16 16.7 170.00 0.45
ZD24-001002 6~18V 12V CONSTANT 8500 0.055 7370 0.36 3.52 35.80 2.71 26.5 270.00 2.35

扫码咨询

18933268640

明泰(惠州)科技有限公司
电话:0752-5588773
业务热线:18933268640
邮箱:jessica.li@maintek.hk
地址:惠州大亚湾西区谭公南路3号富奇达科技园2号楼
Copyright @ 明泰(惠州)科技有限公司
备案号:粤ICP备2026002398号