中文

产品中心
Products
产品中心
提供个性化机电产品及散热系统应用解决方案

ZD38-001 系列(555)

输出功率:5.0W~100W(约) 典型应用 汽车产品:车门闭门器/安全带预紧器/电动座椅

产品详情

PQ曲线特征

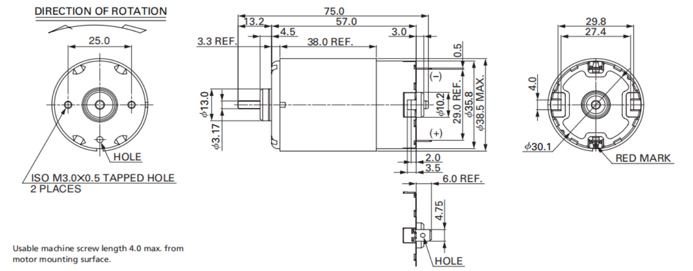
产品尺寸

输出功率:5.0W~100W(约)

典型应用

汽车产品:车门闭门器/安全带预紧器/电动座椅

规格参数

MODEL VOLTAGE NO LOAD AT MAXIMUM EFFICLENCY STALL
OPERATING
RANGE
NOMINAL SPEED CURRENT SPEED CURRENT TORQUE OUTPUT TORQUE CURRENT
r/min A r/min A mN·m g·cm W mN·m g·cm A
ZD38-001001 9~16V 12V CONSTANT 4500 0.13 3960 0.95 19.40 198.00 8.04 162 1651.00 7
ZD38-001002 6~18V 12V CONSTANT 3300 0.15 2860 0.97 27.80 283.00 8.31 208 2120.00 6.3

扫码咨询

18933268640

明泰(惠州)科技有限公司
电话:0752-5588773
业务热线:18933268640
邮箱:jessica.li@maintek.hk
地址:惠州大亚湾西区谭公南路3号富奇达科技园2号楼
Copyright @ 明泰(惠州)科技有限公司
备案号:粤ICP备2026002398号