中文

产品中心
Products
产品中心
提供个性化机电产品及散热系统应用解决方案

FM-143系列

输出功率:15W~60W(约) 典型应用 家用/工业电器:吸附层装置

产品详情

PQ曲线特征

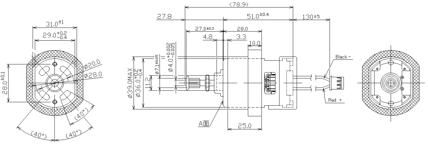
产品尺寸

输出功率:15W~60W(约)

典型应用
家用/工业电器:吸附层装置

规格参数

MODEL VOLTAGE NO LOAD AT MAXIMUM EFFICLENCY STALL
OPERATING
RANGE
NOMINAL SPEED CURRENT SPEED CURRENT TORQUE OUTPUT TORQUE CURRENT
r/min A r/min A mN·m g·cm W mN·m g·cm A
FM-143K1-14PB 12~60V 48V CONSTANT 8691 0.165 6644 0.535 27.22 277.61 18.935 115.527 1178.38 1.737

扫码咨询

18933268640

明泰(惠州)科技有限公司
电话:0752-5588773
业务热线:18933268640
邮箱:jessica.li@maintek.hk
地址:惠州大亚湾西区谭公南路3号富奇达科技园2号楼
Copyright @ 明泰(惠州)科技有限公司
备案号:粤ICP备2026002398号