中文

产品中心
Products
产品中心
提供个性化机电产品及散热系统应用解决方案

FM-40系列

典型应用 紧急警报系统:消防警报铃应用电机

产品详情

PQ曲线特征

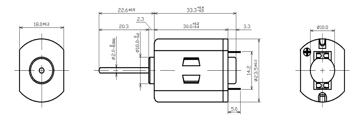
产品尺寸

典型应用
紧急警报系统:消防警报铃应用电机

规格参数

MODEL VOLTAGE NO LOAD AT MAXIMUM EFFICLENCY STALL
OPERATING
RANGE
NOMINAL SPEED CURRENT SPEED CURRENT TORQUE OUTPUT TORQUE CURRENT
r/min A r/min A mN·m g·cm W mN·m g·cm A
FM-40RIN 9~30V 24V CONSTANT 3300 0.006 2289 0.014 0.62 6.32 0.149 2.023 20.63 0.031

扫码咨询

18933268640

明泰(惠州)科技有限公司
电话:0752-5588773
业务热线:18933268640
邮箱:jessica.li@maintek.hk
地址:惠州大亚湾西区谭公南路3号富奇达科技园2号楼
Copyright @ 明泰(惠州)科技有限公司
备案号:粤ICP备2026002398号