中文

产品中心
Products
产品中心
提供个性化机电产品及散热系统应用解决方案

ZD29-001系列(365)

输出功率:0.7W~35W(约) 典型应用 自动化设备:打印机/复印机/激光打印机

产品详情

PQ曲线特征

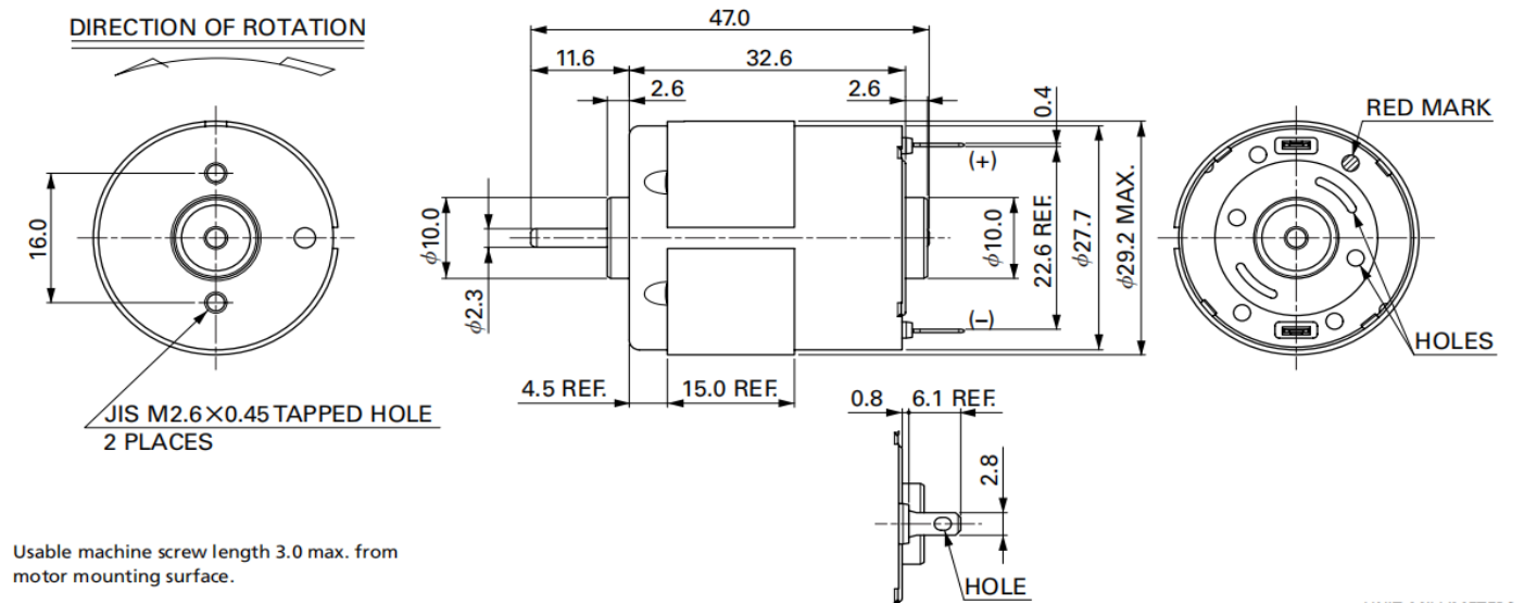
产品尺寸

输出功率:0.7W~35W(约)

典型应用

自动化设备:打印机/复印机/激光打印机

规格参数

MODEL VOLTAGE NO LOAD AT MAXIMUM EFFICLENCY STALL
OPERATING
RANGE
NOMINAL SPEED CURRENT SPEED CURRENT TORQUE OUTPUT TORQUE CURRENT
r/min A r/min A mN·m g·cm W mN·m g·cm A
ZD29-001001 9~28V 18V CONSTANT 10200 0.11 8480 0.54 6.78 69.10 6.01 40.3 411.00 2.69

扫码咨询

18933268640

明泰(惠州)科技有限公司
电话:0752-5588773
业务热线:18933268640
邮箱:jessica.li@maintek.hk
地址:惠州大亚湾西区谭公南路3号富奇达科技园2号楼
Copyright @ 明泰(惠州)科技有限公司
备案号:粤ICP备2026002398号