中文

产品中心
Products
产品中心
提供个性化机电产品及散热系统应用解决方案

ZD20-003系列(180)

产品详情

PQ曲线特征

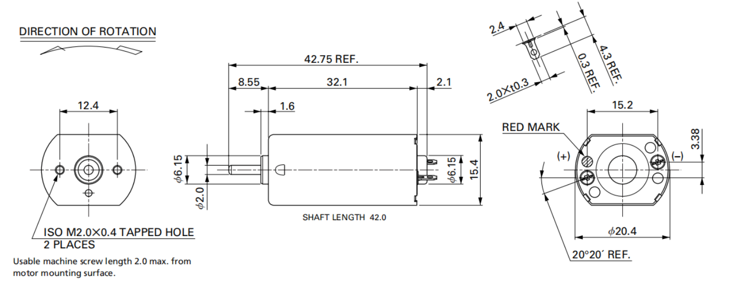
产品尺寸

规格参数

MODEL VOLTAGE NO LOAD AT MAXIMUM EFFICLENCY STALL
OPERATING
RANGE
NOMINAL SPEED CURRENT SPEED CURRENT TORQUE OUTPUT TORQUE CURRENT
r/min A r/min A mN·m g·cm W mN·m g·cm A
ZD20-003001 12~24V 12V CONSTANT 4400 0.021 3500 0.082 1.33 13.60 0.49 6.54 67.00 0.32
ZD20-003006 6~12V 6V CONSTANT 7800 0.085 6390 0.39 2.04 20.80 1.36 11.3 115.00 1.75

扫码咨询

18933268640

明泰(惠州)科技有限公司
电话:0752-5588773
业务热线:18933268640
邮箱:jessica.li@maintek.hk
地址:惠州大亚湾西区谭公南路3号富奇达科技园2号楼
Copyright @ 明泰(惠州)科技有限公司
备案号:粤ICP备2026002398号