中文

产品中心
Products
产品中心
提供个性化机电产品及散热系统应用解决方案

ZD32-001001(500)

输出功率:5.0W~100W(约) 典型应用 扫地机/CD播放器/录像机

产品详情

PQ曲线特征

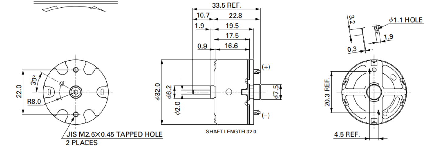
产品尺寸

输出功率:5.0W~100W(约)

典型应用

扫地机/CD播放器/录像机

规格参数

MODEL VOLTAGE NO LOAD AT MAXIMUM EFFICLENCY STALL
OPERATING
RANGE
NOMINAL SPEED CURRENT SPEED CURRENT TORQUE OUTPUT TORQUE CURRENT
r/min A r/min A mN·m g·cm W mN·m g·cm A
ZD32-001001 1.5~9V 5V CONSTANT 3100 0.03 2550 0.11 1.30 13.26 0.35 6.89 70.27 0.56
ZD32-001001 1.5~9V 5V CONSTANT 2700 0.025 2196 0.085 1.15 11.73 0.28 5.89 60.08 0.38

扫码咨询

18933268640

明泰(惠州)科技有限公司
电话:0752-5588773
业务热线:18933268640
邮箱:jessica.li@maintek.hk
地址:惠州大亚湾西区谭公南路3号富奇达科技园2号楼
Copyright @ 明泰(惠州)科技有限公司
备案号:粤ICP备2026002398号